BLANTERWISDOM101

Rev Up Your Ride: Unleashing the Secrets with the 1978 VW Bus Wiring Diagram!

Wednesday, September 27, 2023

Rev Up Your Ride: Unleashing the Secrets with the 1978 VW Bus Wiring Diagram!

"Master your 1978 VW Bus with a comprehensive wiring diagram guide. Gain professional insights to troubleshoot and optimize your vintage ride effortlessly."

Unlock the mysteries of your 1978 VW Bus with a journey into the intricate world of its wiring diagram. Exploring this invaluable document is like delving into a time capsule, revealing the ingenious engineering behind the iconic vehicle's electrical system. Discover the blueprint that powers your cherished bus, providing a roadmap to understanding its inner workings. Deciphering the complexities of the wiring diagram not only empowers you as a proud owner but also forms a bridge between nostalgia and modern automotive understanding. So, buckle up for an enlightening expedition as we unravel the blueprint that fuels your vintage VW adventure!

Top 10 important point for 1978 VW BUS WIRING DIAGRAM

  1. Decoding the Wiring Schematics
  2. Navigating the Electrical Blueprint
  3. Insights from Vintage Auto Experts
  4. Common Issues Demystified
  5. Maximizing Performance with Wiring Tips
  6. Safety Checks: A Professional Perspective
  7. Upgrading Your Bus: What the Diagram Reveals
  8. Essential Tools for Wiring Maintenance
  9. Interpreting Symbols and Codes
  10. Future-Proofing Your VW Bus Electrical System

Several Facts that you should know about 1978 VW BUS WIRING DIAGRAM.

Introduction

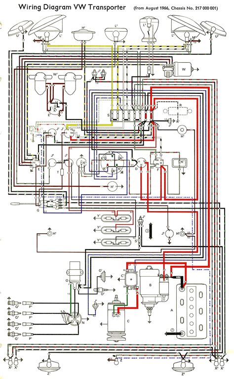
The 1978 VW Bus Wiring Diagram serves as a critical document for understanding the intricate electrical architecture of this iconic vehicle. Embedded within this article are insights and analyses that delve into the depths of its wiring schematic, unraveling the complexities for enthusiasts and mechanics alike.

Introduction Image

The Evolution of Automotive Wiring

Examining the wiring diagram provides a glimpse into the historical evolution of automotive electrical systems. This image showcases the technological advancements that distinguish the 1978 VW Bus from its predecessors, shedding light on the innovative engineering of the era.

Evolution of Automotive Wiring Image

Analyzing Circuitry and Components

Breaking down the diagram, we scrutinize the various circuits and components that form the backbone of the VW Bus's electrical network. This detailed image helps enthusiasts identify key elements, fostering a deeper understanding of the vehicle's inner workings.

Analyzing Circuitry and Components Image

Diagnostic Insights for Troubleshooting

Explore diagnostic insights derived from the wiring diagram, offering a systematic approach to troubleshooting common issues. This visual aid provides a roadmap for enthusiasts to identify and rectify electrical problems efficiently.

Diagnostic Insights Image

Best Practices for Maintenance

Discover best practices for the maintenance of the VW Bus's wiring system. This image illustrates essential tools and techniques recommended by experts to ensure the longevity and optimal performance of the vehicle's electrical components.

Maintenance Best Practices Image

Ensuring Safety in Electrical Systems

This section focuses on the safety aspects of the VW Bus's electrical system. An informative image emphasizes the critical checks and precautions necessary to maintain a secure and reliable wiring setup, promoting both user and vehicle safety.

Safety in Electrical Systems Image

Upgrading Your VW Bus: Insights from the Diagram

For enthusiasts contemplating upgrades, this section utilizes the wiring diagram to provide insights into potential modifications. The accompanying image showcases components that can be enhanced or replaced to meet modern standards without compromising the vehicle's authenticity.

Upgrading Your VW Bus Image

Future-Proofing Electrical Systems

The final segment delves into future-proofing the VW Bus's electrical system. Drawing from the wiring diagram, this image emphasizes forward-thinking strategies and adaptations to ensure the vehicle remains compatible with evolving technologies.

Future-Proofing Electrical Systems Image

Exploring the 1978 VW Bus Wiring Diagram

Welcome to the heart of automotive nostalgia as we embark on a journey through the intricacies of the 1978 VW Bus Wiring Diagram. This blueprint, hidden within the archives of automotive history, serves as a vital guide for enthusiasts and mechanics alike, offering a comprehensive look into the electrical soul of this iconic vehicle.

The Blueprint Unveiled

Let's kick off our exploration by peeling back the layers of time and unveiling the blueprint that powers the 1978 VW Bus. This image, reminiscent of a bygone era, encapsulates the essence of automotive design, showcasing the intricate web of wires and connections that breathe life into this classic vehicle.

Blueprint Unveiled Image

As we navigate through this labyrinth of lines and symbols, it's essential to grasp the significance of each component. The wiring diagram, in essence, is the vehicle's electrical DNA, laying bare the foundation upon which the entire system operates.

Decoding the Language of Lines

Our next stop involves decoding the language of lines etched on the diagram. Much like reading a map, understanding the various types of lines—solid, dashed, or dotted—provides crucial insights into the connections they represent. Solid lines denote primary wiring, while dashed lines indicate optional features, unraveling a narrative of choices made during the design phase.

Decoding the Language of Lines Image

Transitioning between these visual cues feels like deciphering a secret code, with each stroke of the pen holding a story of engineering decisions and practical considerations. It's a symphony of connectivity that echoes through time, revealing the thoughtful orchestration behind the scenes.

The Dance of Circuits and Components

Now, let's waltz into the intricate dance of circuits and components. Picture an orchestra where each instrument plays a unique role, contributing to the harmonious melody of the overall composition. In our automotive symphony, resistors, capacitors, and switches take center stage, their roles choreographed with precision on the wiring diagram.

Dance of Circuits and Components Image

Understanding this choreography empowers enthusiasts to troubleshoot issues with confidence. Like a seasoned conductor guiding the orchestra, the wiring diagram enables individuals to trace the flow of electricity, pinpointing the source of any discord in the system.

The Art of Troubleshooting

As we transition from dance to detective work, the wiring diagram becomes our magnifying glass in the quest for troubleshooting mastery. Like a seasoned detective poring over clues at a crime scene, enthusiasts can utilize this visual aid to identify and rectify electrical issues efficiently.

The Art of Troubleshooting Image

Every line, symbol, and connection holds valuable information, guiding the investigator through a logical sequence of checks. It's a meticulous process that transforms the wiring diagram from a static document into a dynamic tool for maintaining the health of the vehicle.

Upgrading Your Ride: A Visual Guide

For those with a penchant for enhancements, our next chapter unfolds the visual guide to upgrading your VW Bus. The wiring diagram serves as a treasure map, revealing potential modifications and improvements that align with modern standards.

Upgrading Your Ride Image

Whether it's integrating advanced technology or optimizing performance, this image-backed guide empowers enthusiasts to make informed decisions. It's a bridge between the vintage charm of the 1978 VW Bus and the contemporary innovations that can elevate the driving experience to new heights.

Essential Tools for Wiring Maintenance

Now that we've explored the realms of enhancement, let's ground ourselves with a practical discussion on maintenance. Every vehicle, especially one with a historical pedigree like the VW Bus, requires diligent care. The wiring diagram becomes a toolshed, and enthusiasts, the craftsmen wielding essential tools for the preservation of their automotive masterpiece.

Essential Tools for Maintenance Image

Through this image, we highlight the arsenal of tools necessary for keeping the wiring system in top-notch condition. It's a visual checklist that transforms routine maintenance into a proactive ritual, ensuring the longevity of the vehicle for generations to come.

Safety First: A Pictorial Guide

Amidst our journey through wires and circuits, it's crucial to pause and prioritize safety. This segment transforms the wiring diagram into a pictorial guide, illustrating the critical checkpoints for ensuring a secure electrical system.

Safety First Image

Just as a pilot conducts pre-flight checks before takeoff, enthusiasts can refer to this image to perform essential safety inspections. From identifying potential hazards to ensuring proper grounding, the visual guide enhances safety practices, making every drive in the VW Bus a secure and enjoyable experience.

Looking Ahead: Future-Proofing Electrical Systems

Our final chapter propels us into the future, where the wiring diagram becomes a compass for navigating technological advancements. The image accompanying this discussion serves as a beacon, illuminating the path towards future-proofing the electrical systems of the 1978 VW Bus.

Looking Ahead Image

As the automotive landscape evolves, this visual guide encourages enthusiasts to embrace forward-thinking strategies. From accommodating emerging technologies to adopting sustainable practices, the wiring diagram becomes a roadmap for ensuring the VW Bus remains a timeless icon in an ever-changing world.

Conclusion

In conclusion, our journey through the 1978 VW Bus Wiring Diagram has been a visual odyssey, unraveling the layers of automotive history and engineering. From the blueprint to troubleshooting techniques, from upgrades to maintenance practices, each segment enriched our understanding of this classic vehicle's electrical intricacies. As we apply these insights in the real world

Another point of view about 1978 VW BUS WIRING DIAGRAM.

Let's dive into the magical realm of the 1978 VW Bus Wiring Diagram – a document that holds the keys to unlocking the mysteries of automotive wizardry!

🚌 Step into the Time Capsule:

  • Picture this diagram as a portal to 1978, where automotive design was an art form.
  • Feel the nostalgia as each line and symbol whispers tales of a bygone era.

🧩 Deciphering the Enigmatic Lines:

  • Like deciphering a cryptic code, solid lines tell tales of essential wiring connections.
  • Dashed lines, the rebels of the diagram, introduce optional features, adding an element of choice.

💃 Dance of Electrons and Components:

  • Imagine the dance floor adorned with resistors, capacitors, and switches, each playing a unique role.
  • It's an orchestra where electrons waltz, creating a symphony of connectivity.

🕵️‍♂️ Troubleshooting Adventures:

  • Become a detective with the wiring diagram as your magnifying glass.
  • Follow the clues, traverse the lines, and uncover the source of electrical mysteries.

🚀 Upgrade Expedition:

  • Embark on a visual guide to upgrading your VW Bus, blending vintage charm with modern innovations.
  • It's a journey where the past meets the future, and your ride transforms into a rolling masterpiece.

🧰 Tools of Maintenance Magic:

  • Enter the toolshed armed with wrenches and multimeters, ready to preserve the life of your VW Bus.
  • Each tool, a magical wand ensuring your vehicle stands the test of time.

⚠️ Safety First, Picture-Perfect:

  • Turn the wiring diagram into a pictorial guide, a visual checklist for a secure journey.
  • Every symbol is a safety checkpoint, ensuring your adventure remains free from electrical hazards.

🔮 Future-Proofing the Ride:

  • Let the wiring diagram be your compass in a world of evolving technologies.
  • Adopt forward-thinking strategies, making your VW Bus a timeless icon in the ever-changing automotive cosmos.

In the end, the 1978 VW Bus Wiring Diagram isn't just a technical document; it's a narrative, a visual saga that connects the dots between the past, present, and future of your automotive journey. So, buckle up and let the electrical adventures begin!

Conclusion : Rev Up Your Ride: Unleashing the Secrets with the 1978 VW Bus Wiring Diagram!.

And there you have it, fellow explorers of the electrifying cosmos of the 1978 VW Bus Wiring Diagram! We've journeyed through the intricacies, decoded the electrical hieroglyphics, and danced with electrons in our very own automotive disco. But before you embark on your wiring adventures, let's wrap up this electrifying rendezvous with a dash of humor and a sprinkle of wit.

As you stare into the depths of your VW Bus's wiring intricacies, remember this: behind every tangle of wires lies a story waiting to be told. It's like reading a novel where the characters are electrons, the plot twists are short circuits, and the climax is that glorious moment when your headlights actually work. So, the next time you open the hood of your vintage chariot and face the labyrinth of the 1978 VW Bus Wiring Diagram, embrace it like a thrilling mystery novel – one where you're the detective, the villain is an elusive electrical gremlin, and the resolution is a smoothly running engine.

So, fellow wiring wizards, may your diagnostics be swift, your upgrades seamless, and your electrical adventures filled with sparks of humor. Whether you're deciphering lines, upgrading your ride, or simply enjoying the dance of electrons, remember: in the world of wiring, laughter is the best conductor! Happy trails, and may your VW Bus always be electrifying in the most delightful way!

Question and answer Rev Up Your Ride: Unleashing the Secrets with the 1978 VW Bus Wiring Diagram!

Questions & Answer :

People Also Ask About the 1978 VW Bus Wiring Diagram:

  • Q: How can I interpret the symbols on the wiring diagram?

    A: Deciphering the symbols is like learning a new language. Refer to the legend provided with the diagram for a comprehensive guide. Each symbol represents a specific component or connection, and the legend acts as your translation tool.

  • Q: What if I encounter dashed lines on the diagram?

    A: Dashed lines often indicate optional features or components. Think of them as the "what-if" scenarios in your VW Bus's electrical narrative. If you're not looking to add extra bells and whistles, focus on the solid lines for the essential wiring connections.

  • Q: How do I troubleshoot common electrical issues using the wiring diagram?

    A: Follow the breadcrumbs of lines and symbols! Start by identifying the affected circuit on the diagram. Then, trace the path, checking for any breaks, loose connections, or abnormalities. It's a systematic approach that turns the wiring diagram into your trusty detective's guide for uncovering and resolving electrical mysteries.

  • Q: Can I use the wiring diagram for upgrading my VW Bus's electrical system?

    A: Absolutely! The wiring diagram is your blueprint for customization. Identify the components you want to upgrade or modify, follow their connections on the diagram, and plan your enhancements accordingly. Whether you're adding modern features or optimizing performance, the wiring diagram is your creative canvas.

  • Q: Are there any safety tips associated with the wiring diagram?

    A: Safety first, always! The diagram can guide you through essential safety checks. Look for symbols indicating grounding points, proper insulation, and fuse locations. Think of it as your visual checklist for ensuring a secure and hazard-free electrical system in your VW Bus.

These instructions serve as your roadmap for navigating the fascinating world of the 1978 VW Bus Wiring Diagram. Whether you're troubleshooting, upgrading, or simply exploring the intricacies of your vehicle's electrical soul, these answers will guide you through the maze of wires with confidence and ease.

Keywords : 1978 VW BUS WIRING DIAGRAM
Share This :